
| Name:TRS-495SM |
| Time:14-05-16 |
| Click: |
|
典型应用 |
Typical Applications Cordiess Power Tools:Air Compressor Drill & Screwdriver / Cordless Garden Tool Toys and Models: Ride-on Toy |
|
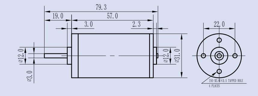
型号 MODEL |
电压 VOLTAGE |
空载NO -LOAD | 负载 AT MAXIMUM EFFICIENCY | 堵转STALL | ||||||||
| 转速 SPEED |
电流 CURRENT |
转速 SPEED |
电流 CURRENT |
转矩 TORQUE |
功率 OUTPUT |
转矩 TORQUE |
电流 CURRENT |
|||||
| 使用范围OPERATING RANGE | 额定值NOMINAL | r/min | A | r/min | A | mN·m | g·cm | W | mN·m | g·cm | A | |
| TRS-495SM-1260 | DC 6-12V | DC 12V | 6000 | 0.25 | 4838 | 1.03 | 16.9 | 180 | 8.9 | 90.7 | 930 | 4.3 |
| TRS-495SM-2450 | DC 12- 24V | DC 24V | 5000 | 0.14 | 3930 | 0.52 | 21.3 | 220 | 8.7 | 97.5 | 1035 | 1.9 |


