
| Name:TRE-280RA/SA |
| Time:14-05-13 |
| Click: |
|
典型应用 |
Typical Applications Toys and Models: Radio Control Model Household Appliances: Hair Cliper/Massager/vibrator |
|
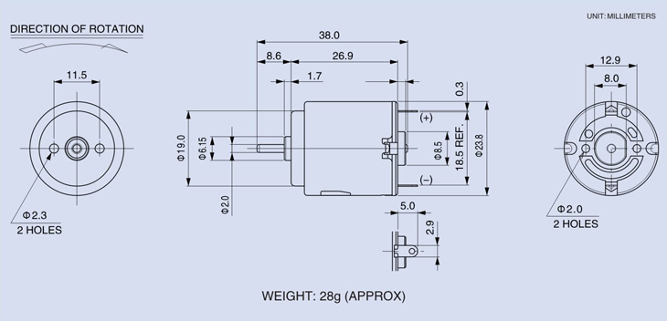
型号 MODEL |
电压 VOLTAGE |
空载NO -LOAD | 负载 AT MAXIMUM EFFICIENCY | 堵转STALL | ||||||||
| 转速 SPEED |
电流 CURRENT |
转速 SPEED |
电流 CURRENT |
转矩 TORQUE |
功率 OUTPUT |
转矩 TORQUE |
电流 CURRENT |
|||||
| 使用范围OPERATING RANGE | 额定值NOMINAL | r/min | A | r/min | A | mN·m | g·cm | W | mN·m | g·cm | A | |
| TRE-280RA-2865 | DC 1.5-3.0V | DC 1.5V | 4600 | 0.12 | 3740 | 0.53 | 1.13 | 11.5 | 0.44 | 6.08 | 62 | 2.30 |
| DC 3.0V | 9200 | 0.16 | 7770 | 0.87 | 1.98 | 20.2 | 1.61 | 12.7 | 130 | 4.70 | ||
| TRE-280RA-20120 | DC 3.0-6.0V | DC 3.0V | 5000 | 0.070 | 4120 | 0.33 | 1.30 | 13.3 | 0.56 | 7.36 | 75 | 1.52 |
| DC 4.5V | 7500 | 0.080 | 6300 | 0.42 | 1.77 | 18.1 | 1.17 | 11.1 | 113 | 2.21 | ||
| TRE-280RA-2485 | DC 1.5-4.5V | DC 3.0V | 7000 | 0.12 | 5800 | 0.58 | 1.68 | 17.1 | 1.02 | 9.80 | 100 | 2.80 |
| TRE-280RA-2865 | DC 1.5-4.5V | DC 3.0V | 7100 | 0.16 | 6000 | 0.88 | 2.58 | 26.3 | 1.62 | 16.7 | 170 | 4.80 |
| DC 4.5V | 10400 | 0.19 | 8920 | 1.14 | 3.34 | 34.1 | 3.12 | 23.5 | 240 | 6.90 | ||
| TRE-280RA-20120 | DC 3.0-6.0V | DC 4.5V | 5800 | 0.080 | 4890 | 0.43 | 2.26 | 23.1 | 1.16 | 14.5 | 148 | 2.34 |
| DC 6.0V | 7800 | 0.085 | 6680 | 0.50 | 2.71 | 27.6 | 1.89 | 18.8 | 192 | 3.00 | ||
| TRE-280RA-2485 | DC 3.0-6.0V | DC 4.5V | 8100 | 0.13 | 6880 | 0.73 | 2.74 | 27.9 | 1.97 | 18.1 | 185 | 4.10 |
