
| Name:TRE-260RA |
| Time:14-05-13 |
| Click: |
|
典型应用 |
Typical Applications Toys and Models: Motorized Toy Motorized Plastic Model |
|
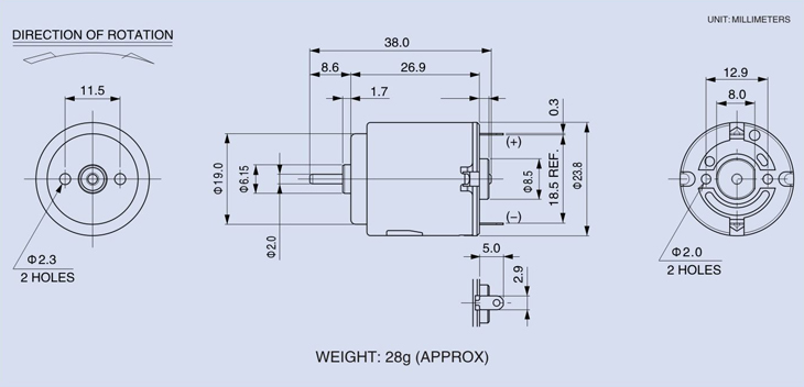
型号 MODEL |
电压 VOLTAGE |
空载NO -LOAD | 负载 AT MAXIMUM EFFICIENCY | 堵转STALL | ||||||||
| 转速 SPEED |
电流 CURRENT |
转速 SPEED |
电流 CURRENT |
转矩 TORQUE |
功率 OUTPUT |
转矩 TORQUE |
电流 CURRENT |
|||||
| 使用范围OPERATING RANGE | 额定值NOMINAL | r/min | A | r/min | A | mN·m | g·cm | W | mN·m | g·cm | A | |
| TRE-260RA-2670 | DC 1.5-3.0V | DC 1.5V | 6300 | 0.61 | 5040 | 0.64 | 0.98 | 10.0 | 0.52 | 4.90 | 50 | 2.56 |
| DC 3V | 12300 | 0.20 | 10200 | 0.97 | 1.50 | 15.2 | 1.60 | 8.77 | 90 | 4.73 | ||
| TRE-260RA-18130 | DC 1.5-4.5V | DC 1.5V | 3300 | 0.075 | 2490 | 0.23 | 0.60 | 6.1 | 0.16 | 2.45 | 25 | 0.72 |
| DC 3V | 6900 | 0.095 | 5470 | 0.36 | 0.97 | 9.9 | 0.56 | 4.70 | 48 | 1.40 | ||
| TRE-260RA-2295 | DC 3.0-4.5V | DC 3V | 9400 | 0.15 | 7610 | 0.64 | 1.31 | 13.3 | 1.04 | 6.86 | 70 | 2.70 |
